Phase 2: Construction - Beginning to put it all back together; keel bolts, DC electrical system design

Well, we've passed the psychological milestone between demolition & construction! We're now putting things back in! It really makes a huge difference in our outlook. Last week things were seeming kind of bleak... every time we thought were about to be able to start putting the boat back together, something would set us back. After cleaning the bilge out, we decided it would be a good idea to replace all the washers and nuts on the keel bolts, and cap them in resin. (Note: we rethought that and are NOT capping the keel bolts with resin...) That was a whole 'nother project that we had not anticipated, and it put off the start of 'construction' by another week.

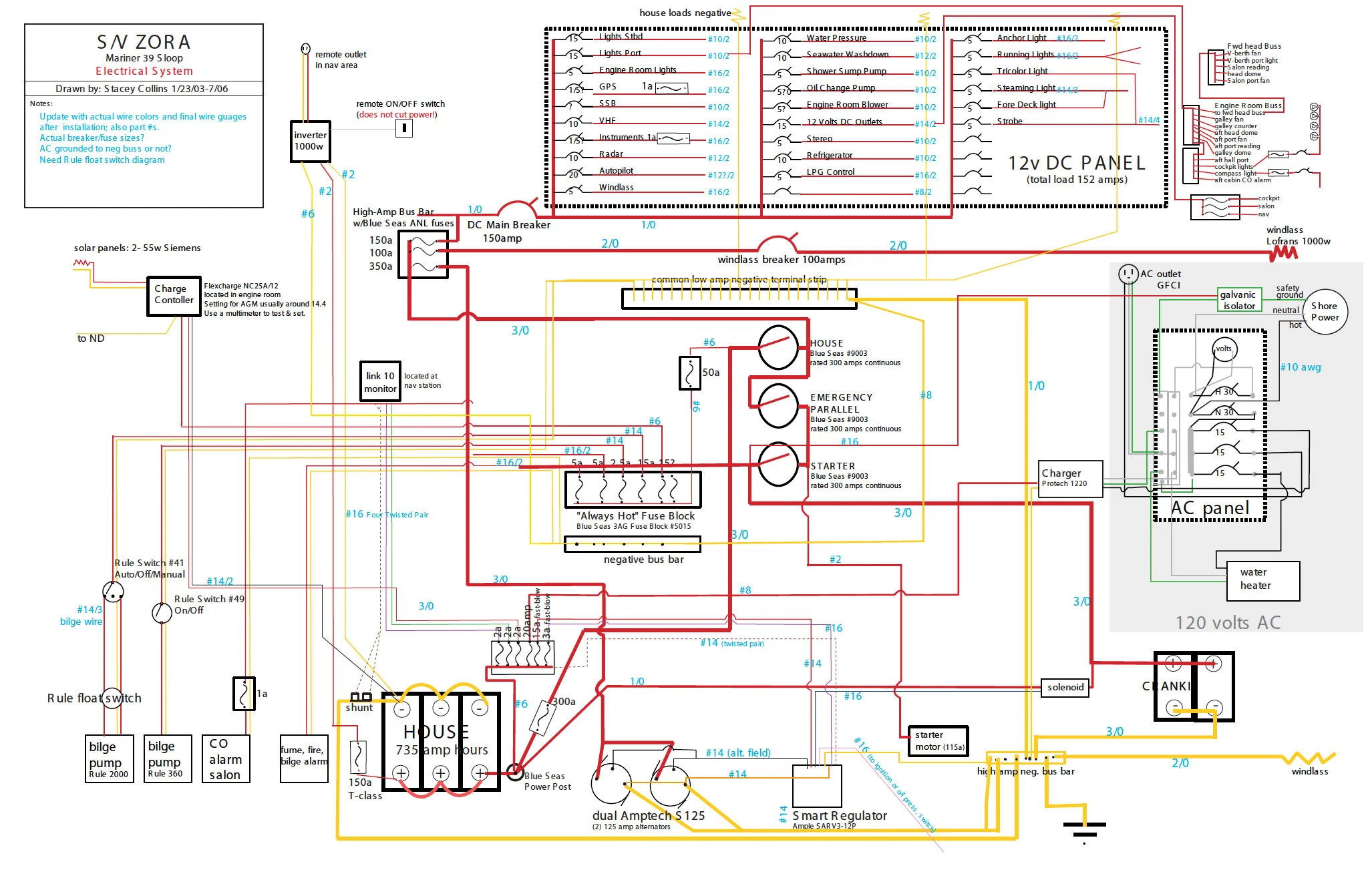
In any case, we've finally begun putting her back together: hooray! Over the weekend Neil installed the new PVC pipe wire chase to route the DC cables starboard to port. Today after work he cut out the new plywood for the cabin sides and tomorrow he'll order the Formica to laminate onto them. I've placed orders for thousands of dollars worth of electrical supplies and later this week I will hopefully begin to install the new system. Eric, a cyberfriend from the Tartan owners email group, sent us a roll of copper foil and next week I'll install the SSB counterpoise. West Marine was having a sale so we bought our new VHF radio. Rule Industries returned our compass, all polished up and repaired and looking almost brand new. It's getting much easier to actually imagine installing these things on a clean, livable boat. We're beginning to see the light at the end of the tunnel.

And I finally have the electrical diagrams almost finished!